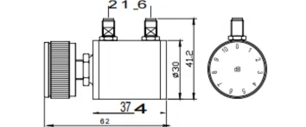
衰减器(Attenuator)是一种用于精确控制信号强度的无源器件,通过电阻网络或薄膜电路实现可控能量损耗。其典型结构包含π型/T型衰减网络、陶瓷基板及金属屏蔽外壳,支持固定(3dB/10dB等)或可调(0-60dB连续可调)衰减模式,具有宽频带特性(DC-40GHz)、低驻波比(VSWR≤1.5)及高功率容量(可达100W)。广泛应用于通信系统、测试仪器及雷达设备中,用于信号电平调节、阻抗匹配及系统保护。
RASMA-JK-18-20W
100M-18GHz电调衰减器
GKTSX-1-1-2.5-A步进衰减器
RAxxA2-22KK-40
RA03A2-1.85-67
RA2.92-JK-40-20W